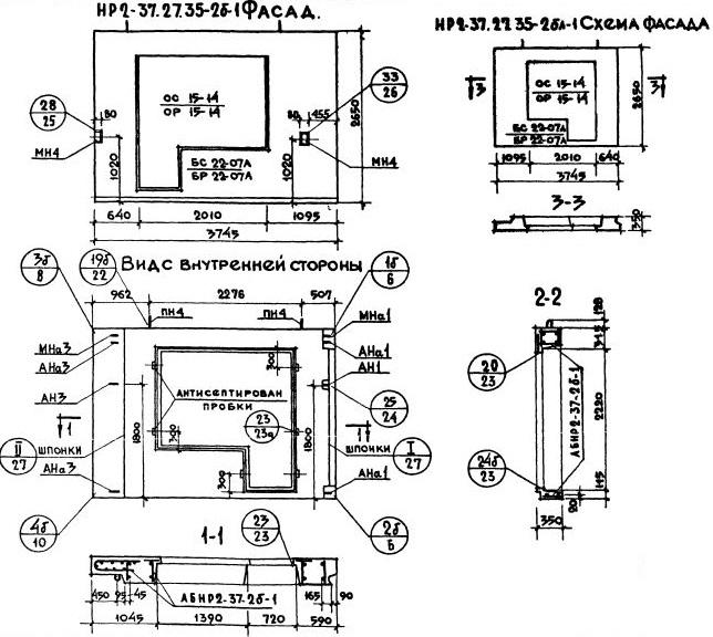
НР2-37.27.35-2бл-1

Чертеж изделия:
Чертеж НР2-37.27.35-2бл-1
Характеристики изделия:
ПараметрЗначение
Длина3745 мм
Ширина350 мм
Высота2650 мм
Масса3150 кг
Нормативный документСерия 1.132-1

НР2-37.27.35-2бл-1   Наружная стеновая панель рядовая по Серии 1.132-1.