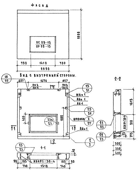
НР1-30.29.3-4

Чертеж изделия:
Чертеж НР1-30.29.3-4
Характеристики изделия:
ПараметрЗначение
Длина2990 мм
Ширина300 мм
Высота2900 мм
Масса2860 кг
Нормативный дкументСерия 1.132-1

НР1-30.29.3-4   Наружная стеновая панель рядовая по Серии 1.132-1.